1
/
von
2
Jeremias
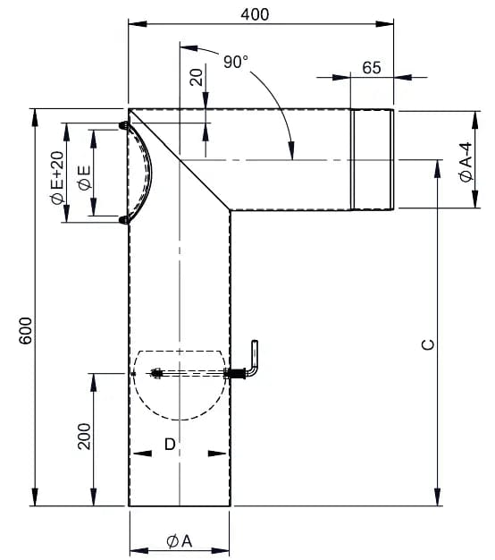
Ofenrohrset 200 mm, Kniewinkelrohr mit Tür und Drosselklappe
Ofenrohrset 200 mm, Kniewinkelrohr mit Tür und Drosselklappe
Normaler Preis
€95,22
Normaler Preis
€119,00
Verkaufspreis
€95,22
Stückpreis
/
pro
inkl. MwSt.
Versand wird beim Checkout berechnet
verfügbar - In 7-10 Tagen bei Dir Zuhause
Verfügbarkeit für Abholungen konnte nicht geladen werden
Ofenrohrset 200 mm, Kniewinkelrohr mit Tür und Drosselklappe
Um einen Kaminofen oder Pelletofen korrekt an einen Schornstein anzuschließen, ist ein Ofenrohrset, auch Rauchrohrset genannt, als Verbindungsleitung unabdingbar.
System FERRO-LUX
Technische Daten:
Einsatzgebiet:
Abgasführung im Unterdruckbereich,
Regelfeuerstätten für feste Brennstoffe, trockene Betriebsweise
Nennweite:
Innen: DN Ø 120 bis 200 mm
Material:
Stahlblech DC01 (St12)
Wandstärke 2,0mm
Temperaturbeständigkeit:
bis 600 °C
Leistungserklärung:
Share


