Jeremias
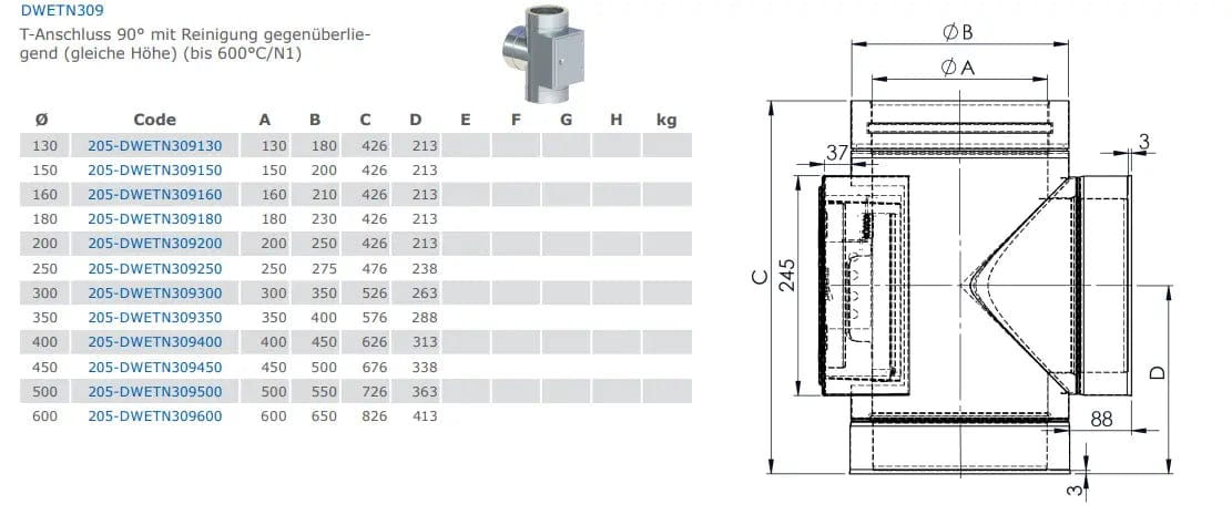
Feuerstätten-Anschluss 90° mit Reinigung gegenüberliegend
Feuerstätten-Anschluss 90° mit Reinigung gegenüberliegend
100000 auf Lager - In 2-7 Tagen bei Dir Zuhause
Verfügbarkeit für Abholungen konnte nicht geladen werden
Edelstahlschornstein Einzelteile
DW-ECO 2.0
Die preiswerte Alternative zum Klassiker DW-FU ist unser System DW-ECO 2.0, eine doppelwandige Systemabgasanlage aus Edelstahl für alle mit Öl, Gas oder Festbrennstoffen betriebenen Regelfeuerstätten im Unterdruckbetrieb und Abgastemperaturen bis 600°C. Sie eignet sich sowohl für trockene als auch für feuchte Betriebsweise. Eine durchgehende Dämmschale aus 25mm hochqualitativer, fester Mineralwolle mit 120 kg/m3 garantierter Pressdichte verhindert Wärmebrücken zwischen Innen- und Außenrohr und sorgt für einen gleichmäßigen Kaminzug und eine geringe Erwärmung des Außenrohres.
Technische Daten:
Einsatzgebiet:
Abgasführung im Unterdruckbereich,
Gas/Flüssig/Feste Brennstoffe
Nennweite:
Innen: DN Ø 130 mm bis 300 mm
Dämmung:
Mineralisch mit 25 mm Dicke
Material:
Innen: Edelstahl, 0,5 mm, L99
Außen: Edelstahl, 0,5 mm, 1.4301 (304)
Temperaturbeständigkeit:
bis 600 °C
Verbindung:
Steckverbindung Muffe/Sicke mit Klemmband
Leistungserklärung:
Montageanleitung:
Share

